Finance Available

Apply for Finance

Danfoss Pump on Sandvik QJ341 HP8834,10-24-1131

  • 234 days
  • Co. Armagh
P.O.A.

Finance Available

Apply for Finance

Key Specifications

  • Make Other
  • Machinery Type Other

Details

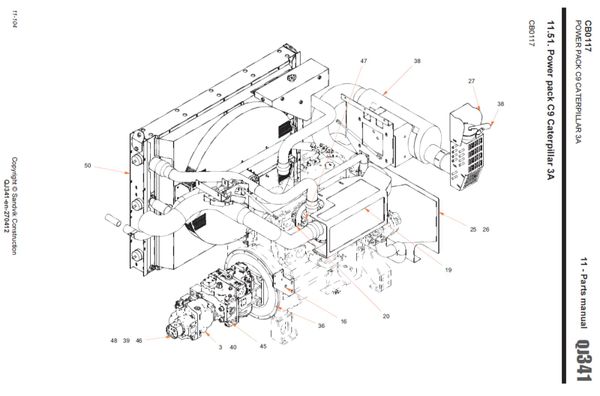
Main Danfoss Pump on Sandvik QJ341 for sale, Danfoss, Main Engine Pump for Sandvik QJ341. Complete assembly with 3 pumps in the one unit. Danfoss, Hydraulic Drive. The pump was removed from 2014 Sandvik QJ341 mobile machine, the machine had only worked for approx 3,500 hours. This is the main pump which is attached to engine on Sandvik crusher, was on CAT C9 Engine. Sauer Danfoss 80000247 Pump, Danfoss 7000116 Pump and Danfoss 111.20.660.00 Hydraulic Gear Pump. Everything you see in the images comes with this pump nothing more and nothing less. This pump can be installed back into Sandvik crusher but is also ideal for a range of other applications etc. See serial plates below showing all information and details on the 3 pumps. Main pump for Sandvik QJ341, main engine pump for Sandvik QJ341. Sandvik part number: HP8834, SAUER DANFOSS SERIES 90 180CC 80000247, Sandvik Part Number: 10-24-1131: Sauer Danfoss Load Sensing Series 45 Axial Pump 130cc and Sandvik Part Number: HP8836: Sauer Danfoss 6cc.

SAUER DANFOSS SERIES 90 180CC 80000247, SAUER DANFOSS, Sauer Danfoss 80000247 Pump, Danfoss 7000116 Pump and Danfoss 111.20.660.00 Hydraulic Gear Pump. Sauer Danfoss Load Sensing Series 45 Axial Pump 130cc, Sauer Danfoss 6cc. We would like to sell this pump as complete assembly but would consider selling the individual pumps at right money.


Main information from the 3 pump serial plates below:



Sauer Danfoss 80000247 Pump

Model-No/Ident-No: 80000247

Model Code: 90R180 KP5CD80 TMC8 J03 NNN 424224

Serial No: N133502084



Danfoss 7000116 Pump

Model No/Ident No: 7000116

Model Code: ERR130BBS3120NNN3 S1RPA1NNNNNNNNNN

Serial No: A141626385



Danfoss 111.20.660.00 Hydraulic Gear Pump

111.20.660.00

SNP2NN/6,0RN066A

P1F4F4NNNN/NNNNN

07MAR14 00610



• HP8834: Sauer Danfoss Series 90 180cc Pump
• 10-24-1131: Sauer Danfoss Load Sensing Series 45 Axial Pump 130cc
• HP8836: Sauer Danfoss 6cc

This pump will fit Sandvik QJ341 however we believe this will fit other brands of Sandvik, Extec and Fintec Crushers, please refer to information on the plates of the pumps. We give this motor a coat of paint to freshen it up. We also a number of items in stock to suit Sandvik QJ341/QJ340/Extec C12 including main crusher box, side belt, feeder, full chassis, tracks, hopper wings, magnet etc.

Get a quote on shipping this Main Danfoss Pump on Sandvik QJ341 to your site or nearest port by contacting us today. This pump will be loaded onto Truck or Container in this price. If you require more information please contact us.

Please check our full range of New Jaw Crushers, Screeners, Stackers, Conveyors and Magnets on roco9

Contact Us

Have you a vehicle to trade in? (Optional)

By clicking Send, I agree to Ballytrain Plant Privacy Policy and Terms & Conditions

Got Questions?

Ballytrain Plant & Commercials Sales is an Irish owned, family run business. We have a hand’s on approach and depth in knowledge in the Quarry & Construction Industries since first being established back in 1978. Not only do we specialise in importing and exporting Crushers, Screeners, Excavators, Wheel loaders, Telehandlers & much more globally on a daily basis. We also have our own personal experience in the Quarry Business which gives us great understanding in this field of Machinery. Ballytrain Plant can arrange for the export of all machinery to all major ports worldwide at the most competitive RO-RO rates available. We can have your machine dismantled and carefully loaded into a container for cheaper and faster rates of transport, if required. We also have an onsite purpose built loading ramp for loading RO-RO machines into Mega Trailers / Curtainsiders etc.

Call Us Now

0863114383

Location

205A Concession Road, Crossmaglen, Newry Armagh BT35 9JD